















Preferably ABS raw materials, machine nail beads do not burst beads, environmental protection and non-toxic, do not peel off, after water grinding polishing, grinding off raw edges and material mouth, good brightness. Claw nails are universal nailing machine, claw nails a pack of 50000, 7 yuan 10000, a pack of hair.
Pearls can be made to order in various colors

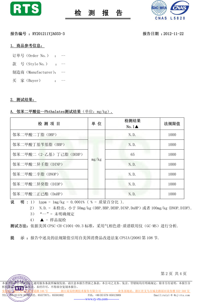
Our products can be exported to Europe, the United States, the Middle East, Northeast Asia and other regions, below is our environmental testing report, welcome multinational procurement groups, major foreign trade companies to come to inspect the factory, understand our quality and negotiate cooperation, to achieve mutual benefit and win-win, common development, long-term cooperation...


";Yiwu Heidi Jewelry Accessories firm" specializes in the production and sales of all kinds of high-quality ABS imitation pearls, glass imitation pearls, half-face imitation pearls, non-porous, single-hole imitation pearls and all kinds of special-shaped imitation pearls, matte imitation pearls, magic imitation pearls, colorful imitation shell pearls, South Korea bright waterless beads, electroplated beads, all kinds of button imitation pearls, and can undertake customers to sample and map processing.
The company was founded in 2006, the existing plant more than 10,000 square meters, more than 200 employees. Set production, research and development, design, sales and display as one, has a professional design and development team, and has all the imitation pearl technology, has become the domestic imitation pearl industry leading enterprises, customers throughout the country and many countries and regions.
The company has all kinds of molds: ABS plastic straight hole round bead (3-40mm), glass straight hole round bead (3-16mm), semi-round imitation pearl (1.5-30mm), non-porous round bead (1.5-20mm), single hole round bead (6-30mm), straight hole single hole water drop, oval and other types of shapes, half face heart, water drop, oval, sunflower and other types of shapes, A total of tens of thousands of molds. Can produce various processes (pearlescent, matte, magic color, wrinkle, highlight, colorful imitation shell, bright color, rubber paint, electroplating, etc.). The product does not peel, does not fade, the bead embryo after a number of long time polishing, no injection hole or film line. Various process surfaces will be processed many times, and the thickness and brightness are far superior to their peers. All products use environmentally friendly materials, exported to Europe, the United States and Japan and South Korea, basically can pass various environmental tests.


Our strength







Imitation pearl is used in clothing


The application of imitation pearl in alloy fittings

Accessories, resin accessories, beaded accessories